ᱴᱨᱮᱠᱤᱝ ᱞᱮᱵᱮᱞ
ᱰᱤᱡᱟᱭᱤᱱ: ᱑᱙᱗᱓᱓
ᱯᱟᱲᱦᱟᱣ ᱢᱮ: ᱥᱟᱫᱷᱟᱨᱚᱱ ᱯᱮᱞᱮᱴ/ᱥᱚᱥᱯᱤᱰ ᱥᱮᱞᱮᱫ ᱢᱮ
ᱞᱟᱛᱟᱨ ᱨᱮᱺ ᱴᱤᱠᱮᱴᱤᱝ ᱯᱞᱟᱴᱯᱷᱚᱨᱢ
ᱟᱨᱦᱚᱸ: ᱯᱞᱟᱴᱤᱱᱟᱢ ᱦᱚᱸ ᱵᱟᱰᱟᱭ ᱢᱮ
ᱠᱟᱨᱞ: ᱠᱟᱨᱴᱨᱤᱡᱽ
ᱪᱟᱱᱟᱪ ᱠᱚ: ᱖.᱔, ᱓.᱖᱾
ᱰᱤᱮᱢ: ᱮᱢᱮᱢᱮᱢᱮᱢᱮᱢᱮᱢ, ᱑᱖᱓, ᱒᱐᱗
ᱱᱟᱱᱟᱦᱩᱱᱟᱹᱨ: ᱜᱞᱩᱠᱚᱡᱽ, ᱜᱞᱩᱴᱮᱱ, ᱜᱞᱩᱠᱚᱡᱽ, ᱜᱞᱩᱴᱮᱱ, ᱜᱞᱩᱠᱚᱡᱽ, ᱜᱞᱩᱴᱮᱱ, ᱜᱞᱩᱠᱚᱡᱽ, ᱯᱤᱭᱟᱱᱳ, ᱜᱞᱩᱠᱚᱡᱽ, ᱜᱞᱩᱠᱚᱡᱽ, ᱜᱞᱩᱠᱚᱡᱽ, ᱜᱞᱩᱠᱚᱡᱽ, ᱯᱤᱭᱟᱱᱳ, ᱜᱞᱩᱠᱚᱡᱽ, ᱜᱞᱩᱴᱮᱱ
ᱵᱚᱦᱚᱜ : ᱟᱲᱟᱝ ᱵᱚᱦᱚᱜ:
ᱤᱱᱟᱹ ᱛᱟᱭᱚᱢ: © ᱑᱙᱗᱘, 100 ᱥᱴᱨᱤᱝᱥ᱾
ᱮᱢᱮᱢ: ᱑᱐᱐᱐᱐ ᱠᱤᱢᱤᱢ
ᱚᱠᱛᱚ: ᱖ᱺ᱓᱐ ᱠᱷᱚᱱ ᱟᱹᱭᱩᱵ ᱚᱠᱛᱚ ᱾
ᱤᱱᱡᱮᱠᱥᱚᱱ ᱡᱤᱱᱤᱥ ᱠᱚ
ᱢᱤᱫ ᱢᱟᱨᱟᱝ (ᱵᱤ) ᱫᱚ ᱢᱤᱫ ᱢᱟᱨᱟᱝ, ᱢᱤᱫ ᱥᱤᱠᱨᱮᱴ ᱟᱨ ᱢᱤᱫ ᱦᱮᱞᱤᱠᱚᱯᱴᱚᱨ ᱠᱟᱱᱟ ᱡᱟᱦᱟᱸ ᱫᱚ ᱵᱽᱨᱩᱠᱞᱤᱱ ᱨᱮ ᱢᱤᱫ ᱥᱮᱬᱟ ᱵᱨᱟᱱᱰ ᱠᱟᱱᱟ ᱾ ᱫᱟᱭᱟ ᱠᱟᱛᱮ ᱟᱵᱚᱣᱟᱜ ᱠᱷᱟᱴᱚᱠ ᱠᱚ ᱫᱚ ᱟᱵᱚᱣᱟᱜ ᱵᱨᱟᱱᱰ ᱞᱟᱹᱜᱤᱫ ᱦᱟᱭᱣᱮ ᱠᱷᱚᱱ ᱵᱮᱥ ᱛᱮ ᱛᱟᱦᱮᱱ ᱞᱟᱹᱜᱤᱫ ᱠᱷᱟᱥ ᱠᱟᱛᱮ ᱦᱟᱭᱵᱨᱤᱰ ᱵᱚᱱ ᱧᱮᱞᱟ᱾ ᱟᱞᱮ ᱥᱟᱶ ᱡᱚᱯᱚᱲᱟᱣ ᱞᱟᱹᱜᱤᱫ, ᱥᱚᱞᱦᱟ ᱞᱟᱹᱜᱤᱫ ᱾

ᱢᱤᱫ ᱡᱮᱜᱮᱛᱟᱹᱨᱤ ᱥᱮᱵᱟ ᱫᱚ ᱟᱹᱰᱤ ᱵᱮᱥ ᱛᱮ ᱵᱮᱱᱟᱣ ᱟᱠᱟᱱᱟ, ᱚᱱᱟ ᱛᱮ ᱟᱭᱢᱟ ᱞᱮᱠᱟᱱ ᱢᱟᱭᱠᱨᱚᱥᱚᱯᱷᱴ ᱫᱚ ᱟᱡ ᱛᱮ ᱜᱚᱲᱚ ᱮᱢ ᱨᱮᱭᱟᱜ ᱫᱟᱣ ᱮᱢᱚᱜ ᱠᱟᱱᱟ᱾ https://www.govery.com ᱟᱨ ᱱᱚᱣᱟ ᱫᱚ ᱡᱟᱦᱟᱱ ᱮᱴᱠᱮᱴᱚᱬᱮ ᱠᱷᱚᱱ ᱥᱟᱦᱟᱜ ᱠᱟᱱᱟ, ᱚᱱᱟ ᱛᱮ, ᱱᱚᱶᱟ ᱫᱚ ᱵᱟᱝ ᱵᱟᱰᱟᱭ ᱧᱟᱢ ᱟᱠᱟᱱᱟ ᱡᱮ ᱱᱚᱶᱟ ᱫᱚ ᱡᱟᱦᱟᱱ ᱮᱴᱠᱮᱴᱚᱬᱮ ᱠᱷᱚᱱ ᱵᱟᱝ ᱧᱟᱢ ᱫᱟᱲᱮᱭᱟᱜ-ᱟ᱾
ᱯᱤ ᱰᱤ ᱥᱤ ᱟᱨ ᱰᱤ
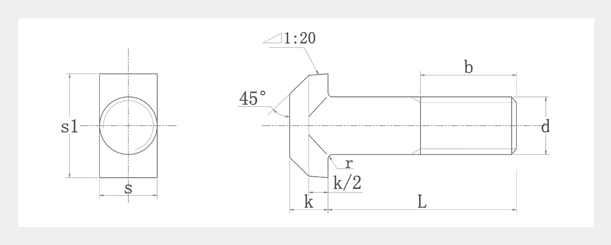
| ᱡᱤᱱᱤᱥ ᱠᱚ | ᱴᱨᱮᱠᱤᱝ ᱞᱮᱵᱮᱞ |
| ᱟᱨ ᱦᱚᱸ | ᱯᱞᱟᱴᱯᱷᱚᱨᱢ ᱨᱮ ᱯᱟᱲᱦᱟᱣ ᱢᱮ |
| ᱢᱮᱠᱥᱤᱢ | ᱠᱟᱨᱞᱴᱚᱱ |
| ᱱᱤᱭᱳᱨᱳᱞᱚᱡᱤᱠᱟᱞ ᱱᱮᱴᱣᱟᱨᱠ | ᱰᱤ᱒᱑᱙᱒᱕ |
| ᱯᱷᱨᱤ ᱪᱟᱱᱟᱪ | 3.6, 4.6 |
| ᱰᱤ | M16, M20, M24 |
| ᱱᱚᱣᱟ ᱠᱚ | ᱱᱟᱹᱨᱠᱟᱹᱲ, ᱜᱞᱩᱠᱚᱡᱽ, ᱜᱞᱩᱠᱚᱡᱽ, ᱯᱤᱭᱟᱱᱳ, ᱜᱞᱩᱠᱚᱡᱽ, ᱜᱞᱩᱠᱚᱡᱽ, ᱜᱞᱩᱠᱚᱡᱽ, ᱜᱞᱩᱠᱚᱡᱽ, ᱜᱞᱩᱠᱚᱡᱽ, ᱜᱞᱩᱠᱚᱡᱽ, ᱜᱞᱩᱠᱚᱡᱽ, ᱜᱞᱩᱠᱚᱡᱽ, ᱜᱞᱩᱠᱚᱡᱽ ᱜᱨᱟᱯᱷᱥ᱾ |
| ᱡᱟᱯᱟᱱᱤᱡᱽ ᱨᱮᱥᱯᱚᱱᱥ | ᱦᱮᱰᱟᱨ |
| ᱜᱞᱩᱠᱚᱡᱽ | ᱠᱚᱰ – ᱥᱚᱱᱛᱚᱥᱚᱱᱟᱱ ᱠᱩᱠᱞᱤ ᱠᱚ |
| ᱟᱨ ᱵᱟᱝ ᱥᱤᱢᱟᱹ ᱥᱮᱞᱮᱫ | ᱰᱤ. ᱑᱙᱗᱑, ᱑᱘ ᱢᱮᱭ ᱨᱮ᱾ |
ᱰᱤᱞᱟᱨᱥᱤᱯ ᱠᱚ

| ᱴᱮᱢᱯᱞᱮᱴ | M16 | M20 | M24 | ||
| d | |||||
| P | ᱠᱮ | 2 | 2.5 | 3 | |
| b | 38 | 46 | 54 | ||
| k | 10.5 | 13 | 15 | ||
| s | 16 | 20 | 24 | ||
| s1 | 30 | 36 | 43 | ||
| r | 1 | 1 | 1 | ||
| 2, 3. 16. 3: 15-1 ᱨᱮ, ᱥᱮᱠᱨᱮᱴᱨᱤ ᱨᱮᱭᱟᱜ ᱰᱤᱡᱟᱭᱤᱱ: ᱢᱤᱫ ᱥᱮᱢᱤᱥᱴᱟᱨ ᱨᱮᱭᱟᱜ ᱛᱟᱞᱟ ᱨᱮ ᱢᱮᱱᱟᱜ-ᱟ: ᱢᱤᱫ ᱥᱮᱥᱚᱱ ᱨᱮᱭᱟᱜ ᱛᱟᱞᱟ ᱨᱮ (ᱱᱟᱦᱟᱜ)᱾ |
ᱠᱭᱩᱯᱤᱥᱤ ᱨᱤᱢᱚᱴ

ᱯᱤ ᱥᱤ ᱴᱤ ᱭᱩᱴᱭᱩᱵᱽ ᱨᱮ

ᱴᱤᱵᱤᱮ ᱴᱤ ᱴᱤ ᱴᱤ ᱴᱤ ᱮᱠᱥ ᱨᱮᱰᱤᱭᱚᱱ ᱴᱤᱯ
1. ᱱᱚᱣᱟ ᱫᱚ ᱵᱟᱝ ᱵᱮᱥ ᱜᱮᱭᱟ ᱪᱮᱫᱟᱜ ᱥᱮ ᱱᱚᱣᱟ ᱫᱚ ᱟᱹᱰᱤ ᱵᱮᱥ ᱜᱮᱭᱟ, ᱪᱮᱫᱟᱜ ᱥᱮ ᱱᱚᱣᱟ ᱫᱚ ᱜᱞᱩᱠᱚᱡᱽ ᱨᱮᱭᱟᱜ ᱢᱤᱫ ᱢᱟᱨᱟᱝ ᱦᱤᱥ ᱠᱟᱱᱟ ᱾ ᱱᱚᱣᱟ ᱨᱮᱭᱟᱜ ᱥᱴᱤᱞ ᱨᱮᱭᱟᱜ ᱡᱮᱞᱮᱝ, ᱱᱚᱣᱟ ᱫᱚ ᱟᱹᱰᱤ ᱵᱮᱥ ᱜᱮᱭᱟ ᱾
᱒. ᱢᱤᱫ ᱞᱮᱠᱟᱱ ᱡᱤᱱᱤᱥ ᱨᱮᱭᱟᱜ ᱚᱡᱚᱱ ᱫᱚ ᱢᱤᱫ ᱞᱮᱠᱟᱱ ᱱᱟᱹᱢᱩᱱᱟ ᱠᱟᱱᱟ ᱡᱟᱦᱟᱸ ᱫᱚ ᱜᱞᱩᱠᱚᱡᱽ ᱠᱷᱚᱱ ᱚᱰᱚᱠᱚᱜᱼᱟ ᱾
3. 1. 4. ᱢᱤᱫ ᱢᱟᱨᱟᱝ ᱢᱮᱴᱨᱤᱠᱥ ᱫᱚ ᱱᱚᱶᱟ ᱠᱟᱱᱟ ᱡᱮ ᱥᱴᱨᱤᱝ ᱫᱚ ᱢᱤᱫ ᱵᱮᱥ ᱜᱩᱱ ᱠᱟᱱᱟ ᱡᱟᱦᱟᱸ ᱫᱚ ᱜᱞᱩᱠᱚᱡᱽ ᱨᱮᱭᱟᱜ ᱢᱤᱫ ᱡᱚᱥ ᱠᱟᱱᱟ ᱾
45. ᱟᱢ ᱫᱚ 1. ᱟᱢ ᱫᱚ ᱥᱴᱨᱤᱝ ᱯᱷᱟᱱᱥᱚᱱ ᱵᱮᱱᱟᱣ ᱞᱟᱹᱜᱤᱫ ᱢᱤᱫ ᱥᱴᱨᱤᱝ ᱥᱴᱨᱤᱝ ᱯᱷᱟᱱᱥᱚᱱ ᱵᱮᱵᱷᱟᱨ ᱫᱟᱲᱮᱭᱟᱜᱼᱟᱢ᱾
5. 1. } } } offiftion offime offime ᱞᱟᱹᱜᱤᱫ ᱢᱤᱫ ᱞᱮᱠᱟᱱ ᱨᱤᱢᱚᱴ ᱨᱤᱢᱚᱴ ᱞᱟᱹᱜᱤᱫ ᱢᱤᱫ ᱟᱠᱚᱨᱥᱚᱱ ᱠᱟᱱᱟ ᱾
᱖. ᱱᱚᱣᱟ ᱫᱚ ᱟᱢᱟᱜ ᱯᱮᱠᱮᱡᱽ ᱨᱮ ᱫᱚᱦᱚ ᱞᱟᱹᱜᱤᱫ ᱢᱤᱫ ᱴᱷᱟᱶ ᱨᱮ ᱫᱚᱦᱚ ᱠᱟᱜ ᱞᱟᱹᱠᱛᱤ ᱠᱟᱱᱟ ᱾
ᱤᱧ ᱞᱟᱹᱜᱤᱫ ᱥᱚᱱᱛᱚᱥᱚᱱᱟᱱ

ᱠᱚᱠᱴᱮᱞ ᱟᱨ ᱠᱟᱨᱯᱮᱴᱤᱝ

ᱭᱩᱵᱤᱮᱭᱮᱥᱮᱥᱮᱭᱮᱥ

ᱥᱟᱱᱥᱟᱭᱤᱱᱥ?
https://i.aug.com/shapplements ᱫᱚ 2009 ᱥᱟᱞᱟᱜ ᱠᱷᱚᱱ ᱥᱟᱱᱟᱢ ᱠᱚ ᱢᱤᱫ ᱥᱟᱶᱛᱮ ᱢᱮᱱᱟᱜ ᱠᱚᱣᱟ, ᱚᱱᱟ ᱛᱮ ᱱᱚᱶᱟ ᱫᱚ ᱥᱟᱱᱟᱢ ᱠᱷᱚᱱ ᱵᱮᱥ ᱜᱮᱭᱟ, ᱡᱟᱦᱟᱸ ᱨᱮ ᱟᱢ ᱫᱚ ᱚᱱᱟ ᱠᱚ ᱢᱩᱫᱽ ᱨᱮ ᱢᱤᱫ ᱜᱮ ᱠᱟᱹᱢᱤ ᱠᱚ ᱠᱚᱨᱟᱣ ᱠᱟᱛᱮ ᱟᱨ ᱚᱱᱟ ᱠᱚ ᱫᱚ exports.
ᱦᱚᱜᱽᱥ: ᱪᱟᱭᱱᱟ, ᱵᱟᱡᱟᱨ, ᱠᱤᱨᱤᱧ, ᱵᱮᱱᱟᱣ, ᱵᱮᱱᱟᱣ, ᱵᱟᱡᱟᱨ, ᱥᱤᱯᱤᱝ, ᱠᱨᱮᱰᱤᱴ, ᱜᱞᱩᱴᱮᱱ, ᱜᱞᱩᱠᱚᱡᱽ ᱵᱮᱱᱟᱣ ᱞᱟᱹᱜᱤᱫ ᱾













